Home | Classificados | Downloads | Fórum | Fotos | Notícias | Técnica | Vídeos
Site Oficial
! - Login | Registe-se


  FAQFAQ  PesquisarPesquisar  Mensagens PrivadasMensagens Privadas  GruposGrupos  ResumosResumos  

Parte eléctrica de Vespa 50s 1968 e outro problema.

 
Novo Tópico   Responder a Mensagem    Índice do Fórum Vespa Clube de Lisboa -> Mecânica
Ver mensagem anterior :: Ver mensagem seguinte  
Autor Mensagem
NunoF
Vespa Chicco
Vespa Chicco


Registo: Dec 11, 2009
Mensagens: 22

MensagemColocada: Sex Jan 29, 2010 - 7:23 pm    Assunto: Parte eléctrica de Vespa 50s 1968 e outro problema. Responder com Citação

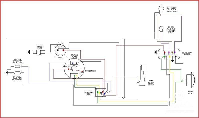
Eu tirei o motor para fora para limpar (foi uma linpesa apenas para tirar a porcaria ) e agora to com uma duvida na parte eléctrica a, Bobina esterior tem três fios o verde axo que e o pusitivo que liga directamente a um parafuso no motor e o que fas massa ,,, o 2º e o que vai ligar a vela,,,, e o terceiro que e um fio castanho e que não sei onde liga (Eu anteriormente tirei umas fotos au motor para meter no fórum mas não da para perceber onde liga o fio castanho ) axo que e por isso que não pega e encharca a vela...

E ja vi no esquema elétrico que da para a Vespa 50s , vespa 50 e VESPA SPRINTER 50

AGRADEÇO A RESPOSTA.



Surprised


Editado pela última vez por NunoF em Qui Fev 18, 2010 - 8:09 pm, num total de 1 vez
Voltar acima
Ver o perfil de utilizadores Enviar Mensagem Privada
pauloviana
Vespa 300 GT
Vespa 300 GT


Registo: Jan 17, 2006
Mensagens: 860

MensagemColocada: Sáb Jan 30, 2010 - 10:18 pm    Assunto: Responder com Citação

desculpa lá mas o k tu tens é uma grande javardice!!!


a bobina que está nesse motor nao é dela Shocked ( parece-me ser de um carro bem antigo que ainda trabalhasse com 6v em vez dos 12v agora normais).

Se fosse a ti comprava um bobina propria para a vespa ( custa entre 20/30 euros)


se quiseres continuar com essa bobina pelo que entendo o fio castanho é o suposto fio vermelho que vai a bobina original. no teu caso deve estar ligado juntamente com o fio vermelho da caixa preta. o verde se está ligado ao motor então está a fazer de massa.
Voltar acima
Ver o perfil de utilizadores Enviar Mensagem Privada
NunoF
Vespa Chicco
Vespa Chicco


Registo: Dec 11, 2009
Mensagens: 22

MensagemColocada: Ter Fev 02, 2010 - 9:42 pm    Assunto: Responder com Citação

Eu sei que esta uma javardi-se foi uma lindeza á pressa , mais tarde com calma limpo o motor e compro uma peças novas para ela, vo mandala para uma pessoa que eu conheço que consegue endireitar a chapa e meter os frisos novos e depois é pintora, o resto trato eu.

Obrigado mas eu consegui resolver o problema da parte eléctrica, ja agora eu perguntai ao dono da vespa e a bobina não foi trocada dês que a compro.(também acho estranho).
Voltar acima
Ver o perfil de utilizadores Enviar Mensagem Privada
joão santos
Vespa 300 GT
Vespa 300 GT


Registo: Nov 16, 2007
Mensagens: 346
Local/Origem: Cartaxo

MensagemColocada: Ter Fev 02, 2010 - 11:57 pm    Assunto: Responder com Citação

Provávelmente foi o segundo dono da Vespa,não traziam essas bobines.
_________________
50 S, FL2, 125 GTR,PX 125 T5, Rally 200,GTS 300 Super.

http://vespacribatejo.forummaroc.net/
Voltar acima
Ver o perfil de utilizadores Enviar Mensagem Privada
pauloviana
Vespa 300 GT
Vespa 300 GT


Registo: Jan 17, 2006
Mensagens: 860

MensagemColocada: Qua Fev 03, 2010 - 7:46 pm    Assunto: Responder com Citação

eu quando disse que era uma grande javardice estava a referir-me a bobina e não ao estado da vespa até porque tenho e ando com uma bem pior que a tua Laughing
Voltar acima
Ver o perfil de utilizadores Enviar Mensagem Privada
carlos
Vespa 50 S
Vespa 50 S


Registo: Nov 13, 2009
Mensagens: 66

MensagemColocada: Qui Fev 04, 2010 - 2:52 am    Assunto: Responder com Citação

epa acho que mais vale gastares 20 euros numa bobine de vespa (existem umas replicas) e escusas de ter fios à massa e outras aldrabices na instalaçao. alem disso essa bobine não está preparada para levar com água em cima ao contrario da de origem que tem os terminais isolados.
também te aconselho a pores a carapuça de plástico do motor (pelo menos no verao) porque sem ela o ar forçado do ventilador não arrefece a colaça.

abraço e força nisso
Voltar acima
Ver o perfil de utilizadores Enviar Mensagem Privada
Pedro Estevão
Administrador
Administrador


Registo: May 23, 2005
Mensagens: 4978

MensagemColocada: Qui Fev 11, 2010 - 5:41 pm    Assunto: Responder com Citação

E fios monofilares a fazer massa no motor..
Pá, esquece isso, desmonta tudo e monta como deve de ser!
Voltar acima
Ver o perfil de utilizadores Enviar Mensagem Privada
NunoF
Vespa Chicco
Vespa Chicco


Registo: Dec 11, 2009
Mensagens: 22

MensagemColocada: Seg Fev 15, 2010 - 4:13 am    Assunto: Responder com Citação

PEstevao = jA o fiz
Voltar acima
Ver o perfil de utilizadores Enviar Mensagem Privada
NunoF
Vespa Chicco
Vespa Chicco


Registo: Dec 11, 2009
Mensagens: 22

MensagemColocada: Qui Fev 18, 2010 - 8:07 pm    Assunto: Responder com Citação

To aqui com um problema muito estranho quando a meto a pegar a pedal ele da uma rotação apenas e assim não da para pegar a vespa a pedal, dês que tenho a vespa tem esse problema, eu nunca liguei muito e metia a trabalhar de imporão mas agora que tenho estado a pensar nisso queria saber Porque ?
Só de vês enquanto é que da para meter a trabalhar a pedal (parece que esta mui-do mas isso é impossível as vezes pega tão bem e varias vezes seguidas,"Mas depois vai-se"


Gostava mesmo de saber, e como o resolver.
Embarassed Rolling Eyes Question
Voltar acima
Ver o perfil de utilizadores Enviar Mensagem Privada
joao santos
Vespa 125 G.T.R.
Vespa 125 G.T.R.


Registo: Mar 10, 2009
Mensagens: 125
Local/Origem: Sintra/colares

MensagemColocada: Qui Fev 18, 2010 - 10:20 pm    Assunto: boas Responder com Citação

boas

Cá para mim tens a embreiagem a patinar, ou entao o carreto do kik (está dentro do motor) já tem os dentes meio moidos.
Voltar acima
Ver o perfil de utilizadores Enviar Mensagem Privada Enviar email
Thigu
Vespa Chicco
Vespa Chicco


Registo: Jun 04, 2009
Mensagens: 12

MensagemColocada: Sex Fev 19, 2010 - 1:40 pm    Assunto: Responder com Citação

Cá para mim ou é a mola que empurra o carreto kik que está sem força ou poderá ser mesmo o carreto com os dentes ja "comidos"... Tbem pode ser a embriagem afinada demais... Tens de ver...
Eu ja tive de abrir um motor so pa mudar a mola! Sad

Espero que ajude.
Voltar acima
Ver o perfil de utilizadores Enviar Mensagem Privada
NunoF
Vespa Chicco
Vespa Chicco


Registo: Dec 11, 2009
Mensagens: 22

MensagemColocada: Sáb Fev 27, 2010 - 8:54 pm    Assunto: Responder com Citação

Aconselhas-me a fazer isso em casa ou devo meter numa oficina, sabes mais ao menus quanto me levam numa oficina.
Laughing
Voltar acima
Ver o perfil de utilizadores Enviar Mensagem Privada
Mostrar os tópicos anteriores:   
Novo Tópico   Responder a Mensagem    Índice do Fórum Vespa Clube de Lisboa -> Mecânica Todos os tempos são GMT + 1 Hora
Página 1 de 1

 
Ir para:  
Neste fórum você: Não pode colocar mensagens novas
Não pode responder a mensagens
Não pode editar as suas mensagens
Não pode remover as suas mensagens
Não pode votar neste fórum


Powered by phpBB © 2001-2003 phpBB Group


Site protegido com o reCAPTCHA e o Google, a política de privacidade e os termos do serviço são aplicáveis.
Copyright © Vespa Clube de Lisboa. Excepto conteúdos publicados pelos utilizadores (propriedade dos próprios).

Página gerada em: 0.16 Segundos